济南市历城区万智教育培训学校专注山东春季高考培训!
微信公众号
在线报名
加入收藏
网站首页
学校简介
春考专业
万智优势
考试动态
教师风采
教学管理
技能考试
历年真题
专业资料
技能考试
理论知识
联系我们
当前位置:
首页
-
技能考试
>
技能考试
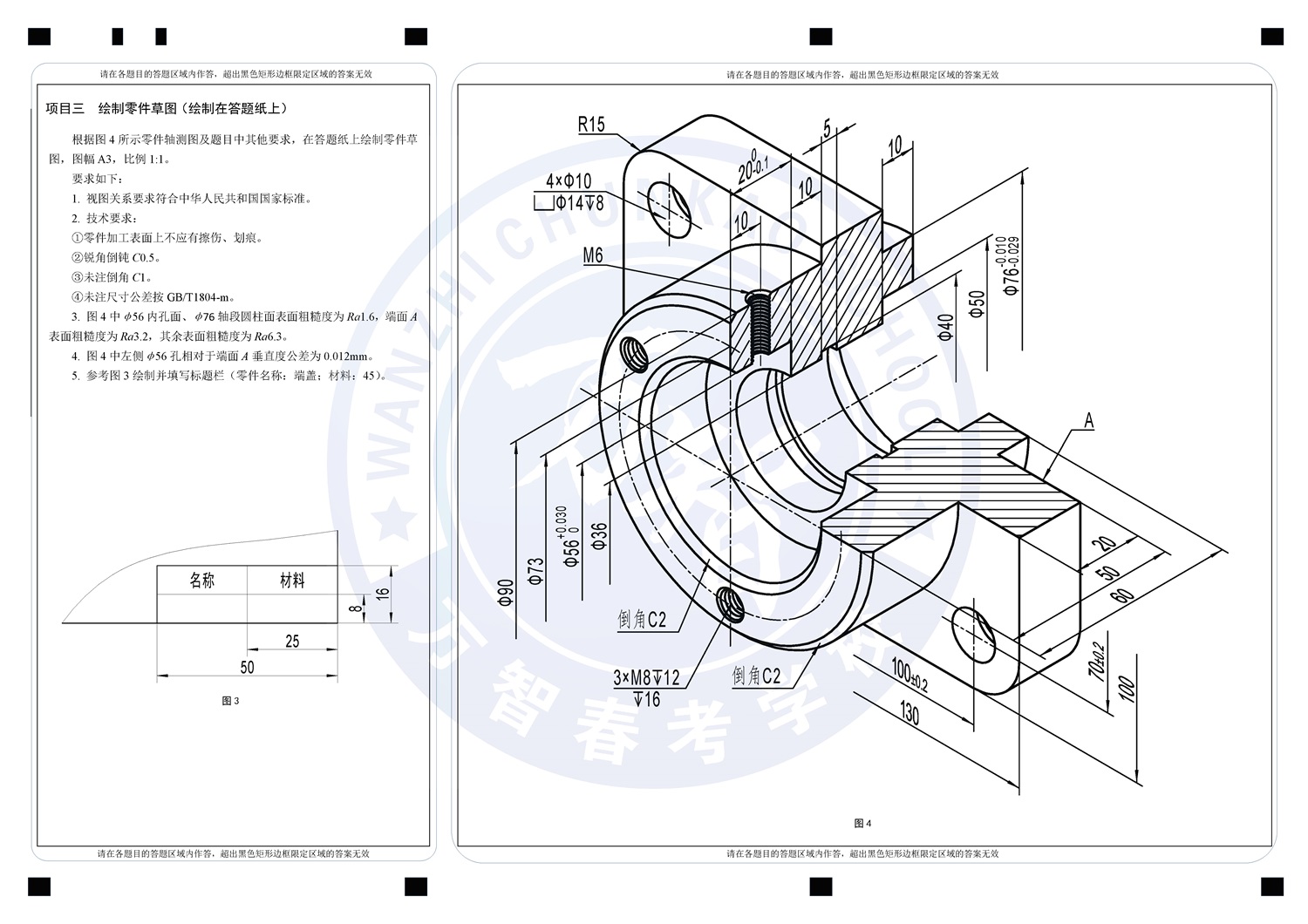
2022年山东春考机械制造类专业技能考试试题
来源:
http://www.wanzhi100.com/
发布时间:2022-03-18
上一条 :
2022年山东春考公共服务与管理类专业技能考试试题
下一条 :
2022年山东春考建筑设计与管理类专业技能考试试题
相关信息
2022年山东春考设备维修专业技能考试试题
2022-03-20
2022年山东春考食品加工类专业技能考试试题
2022-03-19
2022年山东春考化工类专业技能考试试题
2022-03-19
2022年山东春考药学类专业技能考试试题
2022-03-19
2022年山东春考服装展演类专业技能考试试题
2022-03-19
2022年山东春考建筑施工类专业技能考试试题
2022-03-19
2022年山东春考烹饪类专业技能考试试题
2022-03-19
2022年山东春考现在农艺类专业技能考试试题
2022-03-19
2022年山东春考水产养殖类专业技能考试试题
2022-03-19
2022年山东春考建筑设计与管理类专业技能考...
2022-03-18
热门专业
MORE
春季高考的可以报考的专业有哪些?
2024年春季高考专业类别及就业前景介绍
山东春季高考——机电专业的就业前景及春考优势
山东省春季高考30大类专业中,哪些专业适合女生学?
万智动态
山东职教高考对于学生的意义是什么?职教高考的...
职教高
山东春考的考试形式是怎样的?面向哪些群体?
职教高考有哪些优势?
高考失利,复读生想冲刺春考可以吗?
春季高考后选专业从心理上讲要考虑到几点
职教高考和普通高考的差异
通过几个问题了解认识山东职教高考
高考政策
山东省正在推行的职教高考,你真的了解吗?
2024年春季高考车辆维修专业全部招生计划
2024年春季高考运输专业全部招生计划
2024年春季高考旅游管理专业全部招生计划